Способ и устройство для измерения напряженности электромагнитного поля (патент)

Опубликовано 2016-09-27 00:03:44

Способ и устройство для измерения напряженности электромагнитного поля (RU 2337370): G01R29/08 - для измерения характеристик электромагнитного поля.

1. Способ для измерения напряженности электромагнитного поля частотой от 300-3000 МГц, включающий прием сигналов антенной, преобразование в тепловую или другой вид энергии с последующей обработкой системой измерения, отличающийся тем, что, с целью повышения чувствительности в ближней и в дальней зонах приема, снижения электропотребления, принятый сигнал детектируют СВЧ-детектором, направляют на балансный модулятор и производят его разбалансировку, получают измененное напряжение, пропорциональное принятому сигналу, фильтруют фильтром сосредоточенной избирательности, усиливают усилителем напряжения, вторично детектируют и регистрируют индикатором магнитно-электрической системы постоянного тока.

2. Устройство, прибор для измерения напряженности электромагнитного поля, содержащий антенну, закрепленную на корпусе, в котором смонтированы радиоэлементы, электрически соединенные в радиосхему, отличающееся тем, что, с целью расширения диапазона измерения (приема), включая микроволновой диапазон, в ближней и в дальней зонах приема (измерения), повышении чувствительности, снижения электропотребления, прибор (приемник-измеритель) выполнен с применением первого СВЧ-детектора для детектирования сигнала, поступающего с антенны, балансного модулятора для изменения напряжения, поступающего с кварцевого генератора (гетеродина), частотного фильтра сосредоточенной избирательности для выделения основной гармоники и подавления побочных гармоник кварцевого генератора (гетеродина), частотный фильтр установлен между балансным модулятором и усилителем, на котором измененное напряжение усиливается, после чего вторым детектором детектируется и регистрируется индикатором магнитоэлектрической системы, электропитание элементов осуществляется от источника постоянного тока.

Способ и устройство для измерения напряженности электромагнитного поля

Авторы патента:
Рыбников Юрий Степанович (RU)
Александров Валерий Борисович (RU)

Изобретение относится к электронной технике, точнее к измерительным приборам, измеряющим напряженность электромагнитного поля в радиодиапазонах.

Достаточно хорошо известны способы и приборы для измерения электромагнитного поля в СВЧ-диапазоне, называемые как методы измерения мощности СВЧ колебаний:

1. Измерение мощности генератора электромагнитных колебаний ваттметрами поглощающего типа.

В этом случае измеряемая мощность полностью рассеивается на измерительном эквиваленте нагрузки с последующим измерением мощности теплового процесса. Поскольку нагрузка должна полностью поглощать измеряемую мощность, то использование прибора возможно лишь при отключенном приборе.

2. Измерение электрической мощности, выделяемой в нагрузке, полное сопротивление которой может быть произвольно. В этом случае между генератором и нагрузкой включают специальное устройство, преобразующее в другую фору лишь незначительную часть передаваемой по линии энергии и не нарушающее процесс ее передачи.

3. Измерение мощности с помощью резистивных термочувствительных элементов методом измерения малых мощностей, на котором построены промышленные ваттметры, является метод измерения сопротивления резистивного термочувствительного элемента (терморезистора) при рассеянии на нем электромагнитной энергии. В качестве терморезисторов используют болометры, сопротивление которых растет с повышением температуры и термисторы, сопротивление которых падает с ростом температуры.

Термисторы имеют преимущество перед болометрами в более высокой чувствительности и большей устойчивости к перегрузкам.

Измерение сопротивления терморезистора при рассеянии в нем электромагнитной энергии измеряют с помощь мостовых схем.

Неуравновешенные мосты применяют для измерителей мощности по типу приборов прямого действия; уравновешенные - в ваттметрах, основаны на методах сравнения. Недостатками этих мостов являются малые точности измерения.

4. Измерение мощности термопарами.

Метод измерения основан на регистрации значения термоЭДС, возникающей при нагревании термопары СВЧ-энергией. В СВЧ-диапазоне применяют термопары в виде тонких металлических пленок, напыленных на диэлектрическую подложку. Недостаток - ограниченный верхний уровень динамического диапазона, неустойчивость к перегрузкам, ограничивающая допустимое значение средней мощности при измерении импульсных сигналов.

5. Калориметрический метод измерения мощности основан на преобразовании электроэнергии электромагнитных колебаний, поглощаемых согласованной нагрузкой, в тепловую. Калориметрический измеритель состоит из двух частей: поглощающей нагрузки и измеритель температуры. Мощность, поглощаемая в водяной нагрузке с проточной водой, определяют по разности температур.

Недостаток - достаточно сложен, громоздок и не мобилен, высокая погрешность из-за косвенных измерений.

6. Методы измерения проходящей мощности.

Проходящую мощность электромагнитной волны можно измерить ваттметрами с направленными ответвителями и приборами измерителями мощности на преобразователях Холла с поглощающей стенкой.

6.1. В волноводных измерителях мощности падающие и отраженные волны СВЧ-энергии разделяют волноводным направленным ответвителем. По главной волновой линии распространяется падающая волна от генератора к нагрузке и отраженная от нагрузки к генератору. Вспомогательная волновая линия работает в режиме согласования. Падающая волна поступает на ваттметр, а мощность отраженной волны рассеивается на согласованной нагрузке. Недостаток - очень сложная структурная схема и настройка.

6.2. Измерение мощности преобразователями Холла.

Полупроводниковые преобразователи (датчики) Холла, по которым течет ток, возбуждаемый электрополем с напряженностью Е, помещают в магнитное поле с напряженностью Н, то между точками, лежащими на прямой, перпендикулярной направлениям протекающего тока I и магнитного поля, возникает разность потенциалов. Для измерения такой мощности пластину полупроводника - пластинку Холла - помещают в волновод. Недостаток - практическая реализация ваттметров на эффекте Холла - достаточно сложная задача в силу многих факторов, используемых при измерении.

7. Ваттметры на основе эффекта «горячих» носителей тока.

В теории полупроводников этот эффект называют разогревом носителей зарядов. Неоднородный разогрев полупроводниковой пластины возбуждает поток носителей зарядов из горячей области в холодную, при этом ток I=0. При «разогреве», осуществляемом энергией СВЧ-поля, по значению ЭДС можно судить о мощности СВЧ, проходящей через пластину. Ваттметры на основе «разогрева» носителей зарядов позволяют непосредственно измерять импульсную мощность при длительности импульсов до 0,1 мкс. Основным узлом в приборе является приемный преобразователь с полупроводниковым элементом и измерительное устройство с цифровым отсчетом.

Указанные способы измерений не способны улавливать сигналы излучений с модуляцией импульсного характера.

Широко известные приборы - измерители электромагнитных излучений типа EMR-200, EMR-300, EMR-20/30. Указанные приборы предназначены для измерения в ближней зоне приема (непосредственно около источника излучения) и обладают более низкой чувствительностью, чем предлагаемое изобретение. Цифровая шкала указанных приборов не обеспечивает регистрацию излучений с модуляцией импульсного вида (ИКМ) радиорелейной связи в диапазоне 900-1800 МГц.

Аналогичные недостатки имеют и приборы типа П3-31, П3-40, П3-41, П3-18, П3-19, П3-20, в конструкции которых используется набор антенн-преобразователей, работа которых основана на нагревании тонких резистивных пленок при воздействии их с электромагнитным излучением (режим непрерывной генерации - НГ) и регистрацией нагрева тонкопленочным термопарным элементом, а также короткие диполи и рамочные антенны, совмещенные с микропроцессорным устройством.

Наиболее близким аналогом (прототипом) является измеритель помех П4-4 (ИП-25), обладающий высокой чувствительностью, однако только в диапазоне до 20 МГц, и имеет большое электропотребление.

Целью настоящего изобретения является создание способа и устройства, обладающих высокой чувствительностью измерения как в ближней, так и в дальней зоне приема в широком диапазоне частот, включая микроволновой, и снижение электропотребления.

Цель достигается за счет изменения принципиальной радиосхемы преобразования сигналов электромагнитных излучений в микроволновом диапазоне с применением кварцевого генератора (гетеродина), балансного модулятора, фильтра сосредоточенной избирательности и резонансных приемных антенн.

Описание способа изобретения для измерения напряженности электромагнитного поля.

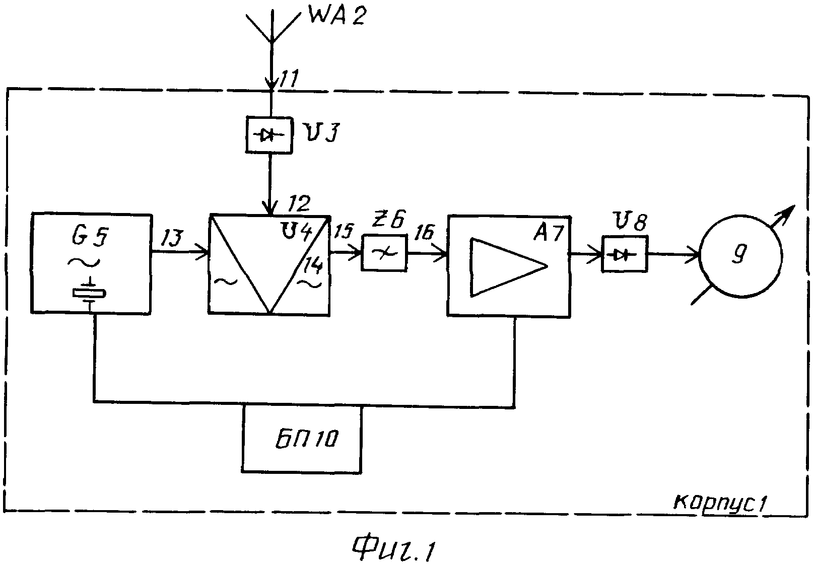
Показано на фиг.1

Съемно-закрепленная на корпусе 1 антенна 2 принимает сигнал 11 в виде электромагнитного излучения микроволнового диапазона. Первым СВЧ-детектором 3 сигнал 11 детектируют в сигнал 12. Балансный модулятор 4 запитывают напряжением 13 кварцевого генератора (гетеродина) 5.

Балансным модулятором 4 напряжение 13 кварцевого генератора (гетеродина) 5 подавляют в напряжение 14.

При подаче сигнала 12 на балансный модулятор 4 производят его разбалансировку и на выходе последнего получают измененное напряжение 15 пропорционально поступаемому сигналу 12.

Измененное напряжение 15 фильтруют частотным фильтром сосредоточенной избирательности 6, выделяют основную гармонику 16, затем ее усилителем напряжения 7 усиливают, детектируют вторым детектором 8 и регистрируют индикатором 9 магнитоэлектрической системы постоянного тока.

Электроснабжение осуществляется источником постоянного тока 10 напряжением 9-12 вольт при потреблении тока 10-12 mA.

Описание устройства по реализации способа для измерения напряженности электромагнитного поля

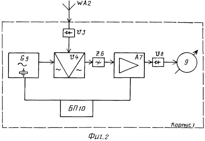
Показано на фиг.2

Прибор имеет корпус 1, антенну 2, СВЧ-детектор 3, балансный модулятор 4, кварцевый генератор (гетеродин) 5, между балансным модулятором 4 и усилителем 7 установлен фильтр сосредоточенной избирательности 6, детектор 8, индикатор магнитоэлектрической системы постоянного тока 9, источник питания постоянного тока 10.

Описание работы способа и устройства для измерения напряженности электромагнитного поля

Показано на фиг.1

Электропитание подают от источника 10 напряжением 9 В, при этом кварцевый генератор (гетеродин) 5 вырабатывает собственное автоколебание частотой, зависящей от характеристик кварцевого резонатора.

Балансный модулятор запитывают напряжением 13 кварцевого генератора (гетеродина) 5.

Регулируют балансный модулятор 4 переменным (подстроенным) сопротивлением и подавляют напряжение 13 в напряжение 14.

Подают сигнал 12 на балансный модулятор 4 и производят его разбалансировку, при этом подавленное напряжение 14 изменяют в напряжение 15 пропорционально поступаемому сигналу 12.

Измененное напряжение 15 фильтруют частотным фильтром сосредоточенной избирательности 6, выделяют основную гармонику 16, затем ее усилителем напряжения 7 усиливают, детектируют вторым детектором 8 и регистрируют индикатором 9 магнитоэлектрической системы постоянного тока.

Источники ирформации

1. А.В.Трубицин. Электромагнитные поля и безопасность жизнедеятельности. Москва, 1996 г.

2. Каталог. Приборы для измерения и контроля магнитных и электрических полей и электромагнитных излучений. Москва, МГП ВНТОРЭС им. А.С.Попова, 1992 г.

3. Н.С.Лившиц, Б.Е.Телешевский. Радиотехнические измерения. Москва, "Высшая школа", 1968 г.

4. И.П.Жеребцов. Введение в технику дециметровых и сантиметровых волн. "Энергия" Ленинград, 1976 г.

5. О.Л.Муравьев. Радиопередающие устройства. Москва, "Связь",1976 г.

6. Электрорадиоизмерения. Под редакцией д.ф.м.н., профессора А.С.Сигова. Москва, "Форум - Инфра - М", 2004 г.

7. Ю.Д.Белик, В.К.Битюков, В.И.Нефедов, A.M.Чешев. Основы радиоэлектроники и связи. Москва, 2004 г.

8. Веб. информация.